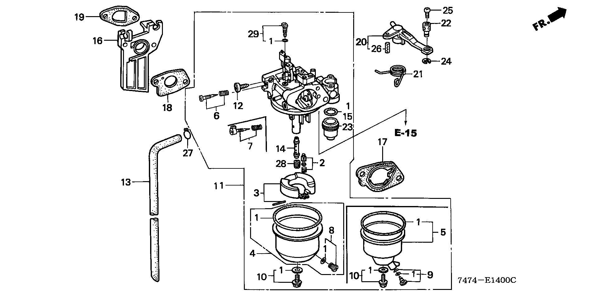
Snow Blowers HS HS521 HS521K1 A SAG-1100001-1199999 CARBURETOR - Ace Hardware & Garden Center

Ref No
Part Number
Description
Serial Range
Qty
Price

Ref No
1
Part Number
16010-ZE1-P31
Description
GASKET SET (NOT AVAILABLE)
Serial Range
1000001 - 9999999

Ref No
2
Part Number
16011-ZE0-005
Description
VALVE SET, FLOAT (SEAT NOT INCLUDED)
Serial Range
1000001 - 9999999
Qty
Price
$28.48

Ref No
3
Part Number
16013-ZE0-005
Description
FLOAT SET
Serial Range
1000001 - 9999999
Qty
Price
$29.86

Ref No
4
Part Number
16015-ZE0-831
Description
CHAMBER SET, FLOAT
Serial Range
1000001 - 9999999
Qty
Price
$36.34

Ref No
4
Part Number
16015-ZE1-811
Description
CHAMBER SET, FLOAT
Serial Range
1000001 - 9999999
Qty
Price
$36.34

Ref No
6
Part Number
16016-ZE0-005
Description
SCREW SET, PILOT
Serial Range
1000001 - 9999999
Qty
Price
$14.66

Ref No
8
Part Number
16024-ZE1-811
Description
SCREW SET, DRAIN
Serial Range
1000001 - 9999999
Qty
Price
$10.28

Ref No
10
Part Number
16028-ZE0-005
Description
SCREW SET
Serial Range
1000001 - 9999999

Ref No
10
Part Number
16028-ZK7-S91
Description
SCREW SET
Serial Range
1000001 - 9999999
Qty
Price
$13.14

Ref No
11
Part Number
16100-ZE1-P33
Description
CARBURETOR ASSY. (BE45A C) (NOT AVAILABLE)
Serial Range
2393174 - 9999999

Ref No
12
Part Number
16124-ZE0-005
Description
SCREW, THROTTLE STOP
Serial Range
1000001 - 9999999
Qty
Price
$17.88

Ref No
13
Part Number
16151-ZE1-P30
Description
TUBE, OVERFLOW
Serial Range
1000001 - 9999999
Qty
Price
$12.02

Ref No
14
Part Number
16166-ZE1-711
Description
NOZZLE, MAIN
Serial Range
1000001 - 9999999
Qty
Price
$30.16

Ref No
15
Part Number
16173-001-004
Description
O-RING
Serial Range
1000001 - 9999999

Ref No
16
Part Number
16211-ZE1-000
Description
INSULATOR, CARBURETOR
Serial Range
1000001 - 9999999
Qty
Price
$23.82

Ref No
17
Part Number
16220-ZE1-020
Description
SPACER, CARBURETOR
Serial Range
1000001 - 9999999

Ref No
18
Part Number
16221-ZE0-306
Description
GASKET, CARBURETOR
Serial Range
1000001 - 9999999

Ref No
18
Part Number
16221-ZH8-801
Description
GASKET, CARBURETOR
Serial Range
1000001 - 9999999
Qty
Price
$2.30

Ref No
19
Part Number
16223-ZE1-800
Description
GASKET, INSULATOR
Serial Range
1000001 - 9999999
Qty
Price
$3.48

Ref No
20
Part Number
16610-ZE1-810
Description
LEVER, CHOKE (REMOTE)
Serial Range
1000001 - 9999999
Qty
Price
$10.44

Ref No
21
Part Number
16615-ZE1-010
Description
SPRING, RETURN
Serial Range
1000001 - 9999999
Qty
Price
$5.34

Ref No
22
Part Number
16617-890-010
Description
HOLDER, CABLE
Serial Range
1000001 - 9999999
Qty
Price
$8.24

Ref No
23
Part Number
16967-ZE0-811
Description
CUP, FUEL STRAINER
Serial Range
1000001 - 9999999
Qty
Price
$21.64

Ref No
24
Part Number
90605-230-000
Description
CIRCLIP (5MM)
Serial Range
1000001 - 9999999

Ref No
25
Part Number
93500-04008-0A
Description
SCREW, PAN (4X8)
Serial Range
1000001 - 9999999
Qty
Price
$1.06

Ref No
26
Part Number
94305-20122
Description
PIN, SPRING (2X12)
Serial Range
1000001 - 9999999
Qty
Price
$2.12

Ref No
27
Part Number
95002-45000
Description
CLIP, TUBE (C8)
Serial Range
1000001 - 9999999
Qty
Price
$1.56

Ref No
28
Part Number
99101-124-0620
Description
JET, MAIN (#62) (CARBURETOR NO.)
Serial Range
1000001 - 9999999
Qty
Price
$10.98

Ref No
28
Part Number
99101-124-0650
Description
JET, MAIN (#65)
Serial Range
1000001 - 9999999
Qty
Price
$12.30

Ref No
28
Part Number
99101-124-0680
Description
JET, MAIN (#68) (CARBURETOR NO.)
Serial Range
1000001 - 9999999
Qty
Price
$10.98

Ref No
29
Part Number
99204-ZE0-0350
Description
JET SET, PILOT (#35)
Serial Range
1000001 - 9999999
Qty
Price
$22.50